技術支持
- 力士樂液壓泵銘牌上的這些A11VLO190A10VO45AZ各代表什么意思?
- 柱塞泵,葉片泵故障現象及原因分析
- 電動抽油泵怎么樣維修保養?怎么使用?
- 派克PGP502齒輪泵,派克PGP505齒輪泵,派克PGP511齒輪泵,派克PGP517齒輪泵
- VICKERS柱塞泵PVB的特性和剖視圖,伊頓威格士
- 力士樂柱塞泵A4VSO液壓油的選用和注意事項
- 港隆介紹四柱液壓機的軸向柱塞泵如何合理使用
- 力士樂液壓泵A4VG28/32系列控制原件如何拆裝?
- 港隆公司介紹YBX變量葉片泵技術參數
- 液壓系統發生故障的主要原因
- 液壓油泵噪音過大的原因
- 液壓泵故障與維修方法?
- 港隆教您如何處理液壓缸活塞損壞的問題
- (威格士液壓泵官網)高溫齒輪油泵的選購方法與日常維護
- 港隆講解液壓馬達轉速慢的原因及解決方法
- 液壓泵的選擇\液壓泵的分類\液壓泵的符號
- 油力頓型A10VSO/A10VO/A2F/A8VO/A4VSO/A4VG,油力頓柱塞泵完美替代力士樂柱塞泵
- 液壓泵維修:A4VG125液壓泵壓力下降
- 港隆公司介紹力士樂A4VG液壓泵結構參數圖
- DENISON丹尼遜單聯泵,雙聯泵,三聯泵T6,T7,T67系列型號大全,性能參數
- 油研葉片泵,YUKEN雙聯葉片泵PV2R23-53-85,PV2R23-53-94
- 威格士液壓泵電液比例控制的優點和應用
- 威格士柱塞泵PVH系列補償器控制方式
- 丹尼遜T6系列的流量規格和優特點
- 德國力士樂PVV和PVQ葉片泵的符號和特點
- 德國力士樂A4VG28/32系列維修常規說明
- 力士樂液壓泵A4VG 28/32系列的拆卸過程
- 力士樂銘牌上的字代表什么意思?
- 油研PV2R系列葉片泵的排量、壓力、輸入功率
- 原裝日本油研液壓泵與國產YUKEN液壓泵有什么區別
- T6,T7系列液壓泵的具體型號,丹尼遜T6,T7系列葉片泵有哪些應用
- 徑向變量柱塞/軸向柱塞泵/斜軸式柱塞泵的特性
- 力士樂柱塞泵A4CSG系列特點
- 力士樂液壓泵A4VSO系列使用安全說明
- 液壓泵的效率、功率、轉矩怎么計算?
- 伊頓威格士20V, 25V, 35V, 45V系列葉片泵產品特點及選型
- 油力頓型VP,PFE系列葉片泵,油力頓葉片泵產品
- VICKERS威格士柱塞泵PVH液壓油的清潔度和溫度范圍
- 威格士柱塞泵PVB系列的安裝數據、起動和訂貨程序
- 威格士柱塞泵PVM系列的特征和優點與用途
- VICKERS威格士液壓泵PVQ系列的油液清潔度
- VICKERS威格士單作用葉片泵的平均流量計算
- VICKERS威格士柱塞泵PVM系列型號大全
- 伊頓威格士PVXS系列柱塞泵型號大全,VICKERS液壓泵特征及應用
- 大量供應Rexroth力士樂內嚙合齒輪泵PGH系列
- VICKERS威格士電磁閥DG4V系列的特點和型號大全
- 力士樂柱塞泵A10VSO45DFR/31R-PPA12NOO型號詳解
- VICKERS威格士柱塞泵PVQ系列壓力補償器控制
- YUKEN油研變量泵的操作及保養注意事項
- 液壓泵技術教大家快速修復液壓系統中的齒輪泵
- 介紹威格士斜軸式軸向柱塞泵原理
- Rexroth力士樂柱塞泵A10VSO系列的DR—壓力控制
- 威格士柱塞泵PVH系列C**T壓力和扭矩限制器的控制方式
- 齒輪油泵因長時間使用會出現-些問題,該怎么處理呢?
- 怎么樣解決威格士葉片泵嚴重大噪音的問題?
- 力士樂柱塞泵A4VG125DA2D2/32L-NZF02F071SH詳細介紹
- 威格士葉片泵的常見故障及排除方法
首頁Rexroth力士樂柱塞泵A10VSO系列的DR—壓力控制
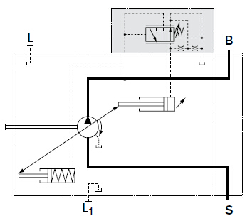
Rexroth力士樂柱塞泵A10VSO系列的DR-壓力控制?深圳市港隆液壓設備有限公司液壓泵技術部給大家介紹Rexroth力士樂柱塞泵A10VSO系列的DR-壓力控制。
壓力控制將泵的最大輸出壓力限制在泵的控制范圍內。變量泵僅提供執行器所需的液壓油量。如果工作壓力超過內置壓力閥的壓力無級點,泵將調節至較小排量,同時控制偏差將隨之減小。可以無級調節控制閥的壓力。
靜態特性
(n1=1500rpm;t油液=50°C)

1、為了防止損壞泵和系統,該設置范圍是允許的設置范圍且不得超過。閥的可能設置范圍更大。
油路圖,規格18至100

油路圖,規格140


如您想了解更多相關“Rexroth力士樂柱塞泵A10VSO系列的DR-壓力控制”疑問或與液壓泵技術相關問題可以與我們聯系,我們公司http://www.jc-nmd.com技術專員會盡最大的能力幫大家解決。
![【港隆液壓】液壓元件[液壓油泵,電磁閥] 一站式服務平臺](upload/20210127173032768281.png)

